IVASTROY 2006 изпълнява груб строеж и цялостно строителство на къщи в Божурище, София, Банкя, Сливница и региона. Предлагаме и дървени сглобяеми къщи,външни сауни и оранжерии с доставка в България.

IVA GARDEN HOUSE B – компактна дървена градинска къща 4,97 m²

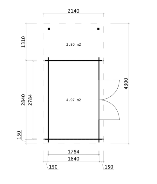
IVA GARDEN HOUSE  B – компактна дървена градинска къща 4,97 m²

IVA GARDEN HOUSE  B е практично и стилно решение за двор и градина – идеална за съхранение на инструменти, дърва за огрев, велосипеди или като малко хоби-пространство. Компактният ѝ размер я прави подходяща дори за по-малки парцели, без компромис с качеството и визията.


Основни характеристики

  • Външни размери: 184 × 284 см
  • Площ на пода: 4,97 m²
  • Обща височина: 2280 мм
  • Височина на стената: 2223 мм
  • Дебелина на стените: 28 мм масивна дървесина
  • Площ на покрива: 9 m²
  • Наклон на покрива: 1,7°
  • Врата: двойна остъклена врата от закалено стъкло (1425 × 1945 мм)
  • Прозорци: няма (повече място за съхранение)

Покрив и конструкция

  • Покривни дъски: 16 мм
  • Крепежни елементи: включени
  • Покривен филц НЕ е включен 

Предимства

Масивна дървена конструкция – стабилна и дълготрайна
Широка двойна врата за лесен достъп
Компактен размер с максимално използваемо пространство
Модерен плосък покрив

 Flat-pack доставка – лесен транспорт и монтаж

 Подходяща за двор, вила, къмпинг или бизнес обекти

 Възможност за боядисване и персонализация


Цена: 2 350 € с ДДС

Цената включва доставка.(включва конструкция, покрив, под и всички крепежи)

Възможна е корекция в зависимост от конкретната дестинация. 

🌿 Подходяща за:

• градински склад за дърва
• работилница
• хоби пространство
• вилен имот

Запитване

Ако имате интерес към IVA GARDEN HOUSE  B

 или желаете оферта с доставка до конкретен адрес, моля попълнете формата по-долу..

Изпрати